Shanghai Jehui Industry Co.,LTD
Home
Über uns
Produkte
Lösungen
Service & Unterstützung
News
Downloads
Kontaktieren Sie uns
ui-button
Englisch
Vereinfachtes Chinesisch
Traditionelles Chinesisch
Japanisch
Deutsch
Login
Kabeleinführungssystem
Split CEP Series
Split CQB Serie
Multi-Durchmesser Metall CF Serie
Multi Cable Transit System
Kabeleinführungszubehör
Kabelmarkierungssystem
Drahtmarkierung
Gerätemarkierung
Kabelschutzleitungen
Wellrohr aus Kunststoff
Rohrverschraubungen aus Kunststoff
Elektrische Metallrohre
Elektrischer Metallschläuchverbinder
Kabelschutzhülle
Umschlagband
Flechthülse
Kabelgleise
Kabelstutzen aus Kunststoff
Metallkabelgleise
Zubehör für Kabelverschraubungen
Kabel Fix System
Kabelbinder
Kabelhalter
Seilschleppkette
Stille Serie
Typ öffnen
Typ schließen
Home
Produkte
Kabeleinführungssystem
Multi-Durchmesser Metall CF Serie
Kabeleinführungssystem
ui-button
ui-button
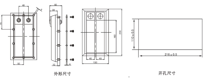
Produktname:Kabeleinführungssystem
Produktcode:CF 32
Untersuchung
Allgemeines
Varianten
Sets
CF 32 Cable Entry System
Temperatur
-40-120℃
Schutzgrad
IP54
Beschreibung
CF 32 ist für Kabel/Rohr Penetration Dichtung in kompakten Teilen des Kabinetts geeignet. Der Rahmen ist ein Aluminiumgussrahmen mit integrierter Pressvorrichtung. CF 32 kann bis zu 56 Kabel abdichten
Anwendung
Kabinett, Schaltschrank, Schaltschrank, etc
Modell
Anzahl der verwendeten Module
DMK15×40
DMK20×40
DMK40
CF32/8
/
/
8
CF32/11
/
2
7
CF32/14
/
4
6
CF32/17
/
6
5
CF32/20
/
8
4
CF32/28
8
/
5
CF32/32
/
16
/
CF32/41
8
8
1
CF32/50
16
/
2
CF32/56
16
2
/