上海杰辉实业有限公司
首页
关于我们
产品中心
解决方案
服务与支持
新闻动态
下载中心
联系我们
ui-button
英语
简体中文
繁体中文
日本語
德语
登录
电缆引入系统
可开式CEP系列
可开式CQB系列
变径金属CF系列
电缆穿墙密封系统
电缆引入附件
电缆标识系统
线缆标识
设备标识
电缆保护软管
塑料波纹管
塑料波纹管接头
金属软管
金属软管接头
电缆保护套管
结束带
编织套管
电缆防水接头
尼龙电缆防水接头
金属电缆防水接头
电缆防水接头附件
电缆紧固系统
扎线带
固定座
电缆保护拖链
静音系列
不封闭系列
封闭系列
首頁
产品中心
电缆保护拖链
静音系列
18SC系列
ui-button
ui-button
产品名称:18SC系列
产品代码:18SC
询价
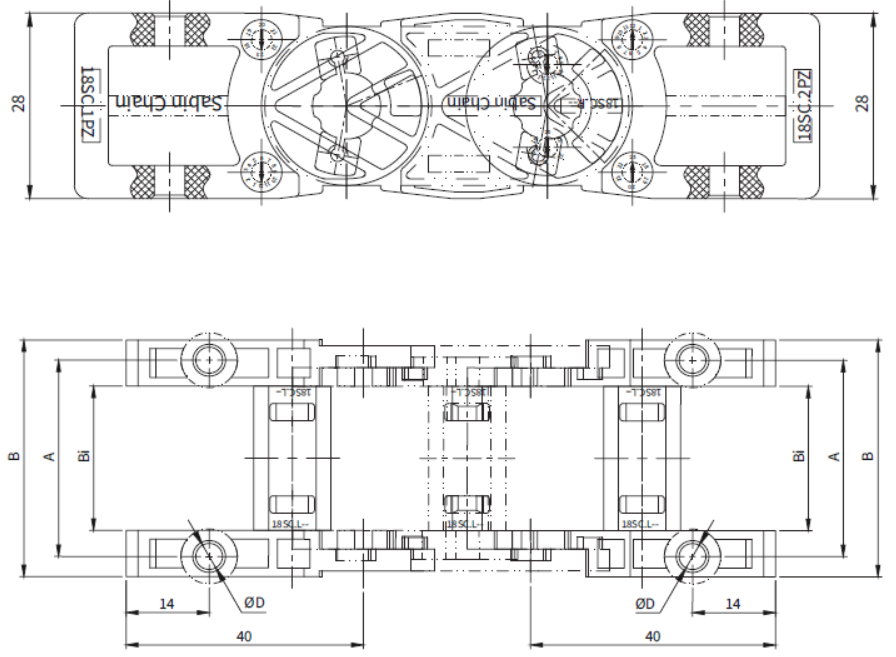
基本信息
产品规格
内高
18mm
最大允许电缆外径(mm)
16
节距
29.5(每米34节)
最大水平悬空长度(m)
1
可选弯曲半径R(mm)
38、50、75
应用场合
可用于负载较轻,中短距离,低速、低噪运动等场合。
拖链型号
内宽(mm)
外宽(mm)
对应固定接头型号
A(mm)
B(mm)
D(mm)
18SC.25.R
25
39
18SC.25.12PZ
34
41
4.5
18SC.37.R
37
51
18SC.37.12PZ
46
53
4.5
18SC.50.R
50
64
18SC.50.12PZ
59
66
4.5
★ 订购时,必须从可选弯曲半径R中选择合适的、确切的数值