Shanghai Jehui Industry Co.,LTD
Home
About Us
Products
Solutions
Service & Support
News
Downloads
Contact Us
ui-button
English
Simplified Chinese
Traditional Chinese
Japanese
German
Login
Cable Entry System
Split CEP Series
Split CQB Series
Multi-diameter Metal CF Series
Multi Cable Transit System
Cable Entry Accessories
Cable Marker System
Wire Marker
Device Marker
Cable Protection Conduits
Plastic Corrugated Conduit
Plastic Corrugated Conduit Fittings
Electrical Metallic Tubing
Electrical Metallic Tubing Connector
Cable Protection Sleeve
Wrapping Band
Braiding Sleeve
Cable Gland
Plastic Cable Gland
Metal Cable Gland
Cable Gland Accessories
Cable Fix System
Cable Tie
Cable Holder
Cable Drag Chain
Silent Series
Open Type
Close Type
Home
Products
Cable Protection Conduits
Integrated Round Cover Fixing Seat
ui-button
ui-button
Product Name:Integrated Round Cover Fixing Seat
Product Code:JQAC
Inquiry
General
Variants
JQAC Integrated Round Cover Fixing Seat
Material
Nylon
Color
Dark grey (RAL 7037), black (RAL 9005)
Temperature
-40-110℃
Product Description
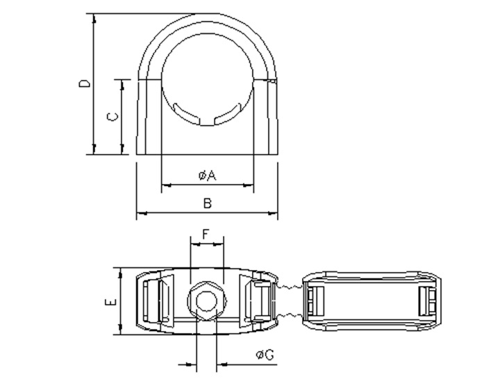
The integrated conduit fixing seat has a round arc shape on the top of the cover, which has good clamping effect and is not easy for the conduit to fall off
Model
Conduit size
B
(mm)
C
(mm)
D
(mm)
E
(mm)
F
(mm)
G(mm)
Packing unit
(pcs/pack)
Grey
Black
JQAC AD10.0B
JQAC AD10.0G
AD10.0
22.6
12.9
23.3
11.6
7.5
4.2
10
JQAC AD13.0B
JQAC AD13.0G
AD13.0
22.6
12.9
23.3
11.6
8.5
5.1
10
JQAC AD15.8B
JQAC AD15.8G
AD15.8
26.7
15.1
26.9
13.7
8.8
5.1
10
JQAC AD21.2B
JQAC AD21.2G
AD21.2
33.8
19.5
34.9
17.5
10.4
6.1
10
JQAC AD28.5B
JQAC AD28.5G
AD28.5
43.8
23.4
43.7
20.7
10.3
6.1
10
JQAC AD34.5B
JQAC AD34.5G
AD34.5
52.8
16.9
51.6
23.2
10.2
6.2
10
JQAC AD42.5B
JQAC AD42.5G
AD42.5
64.5
32.4
62.5
27.0
10.2
6.2
10
JQAC AD54.5B
JQAC AD54.5G
AD54.5
81.0
38.5
77.0
32.1
10.2
6.2
10